

XLZL-XW臥式吸吮式自動清洗過濾器產品介紹
一、自動清洗過濾器概述
XLZL-XW臥式吸吮式自動清洗過濾器由主管組件、端蓋組件、細濾芯組件、粗濾芯組件、吸污器組件、水力馬達、水力缸組件、排污閥、管路控制系統等主要零部件組成。水由入水口進入過濾器,首先經過粗濾芯組件濾掉圈套顆粒的雜質,然后到達細濾網,通過細濾網濾除細小顆粒的雜質后,清水由出水口排出。
XLZL-XW臥式吸吮式自動清洗過濾器在過濾過程中,細濾網的內層雜質逐漸堆積,它的內外兩側就形成了一個壓差。當這個壓差達到預設值時,將開始自動清洗過程:排污閥打開,主管組件的水力馬達室(吸污室)和水力缸釋放壓力并將水排出;水力馬達電腦及吸污管內的壓力大幅下降,,由于負壓作用,通過及嘴吸取細濾網內壁的污物,由水力馬達流入水力馬達室,由排污閥排出,形成一個吸污過程。當水流經水力馬達時,帶動吸污管進行旋轉,由水力缸液壓活塞帶動吸污管作軸向運動,吸污器組件通過軸向運動與旋轉運動的結合將整個濾網內表面完全清洗干凈。整個清洗過程將持續數十秒。排污閥在清洗結束時關閉,增加的水壓會合水力缸活塞回到其初始位置,自動清洗過濾器開始準備下一個沖洗周期。在清洗過程中,過濾機正常的過濾工作不間斷。
二、XLZL-XW臥式吸吮式自動清洗過濾器性能特點
1、水力驅動,吮吸式清洗,最低入水壓力要求為0.2Mpa;
2、二級過濾,精密過濾前設粗濾,過濾精度高;
3、壓差控制、時間控制、手動控制清洗,滿足水質波動需要;
4、電控箱與主機可分體設計,實用方便;
三、XLZL-XW臥式吸吮式自動清洗過濾器技術參數
1、流量范圍: 40~2400 m3/h
2、過濾精度: 10~200 μ m
3、工作壓力: 0.1~1.0 Mpa
4、壓力損失: ≤0.016 Mpa
5、排污閥口徑: DN50 mm
6、排污時間: 20~60 S
7、排污耗水量: <1%
8、適用溫度: ≤65 ℃
9、電源: 直流 12V
10、控制界面: 旋鈕、開關
11、濾網類型: 金屬密紋編織網
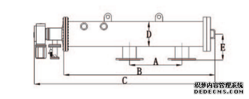
四、XLZL-XW臥式吸吮式自動清洗過濾器安裝尺寸:


五、XLZL-XW臥式吸吮式自動清洗過濾器安裝形式:



新鄉市新華環保設備有限公司是一家集科研、生造、銷售為一體的大中型企業,主要產品有:全自動自清洗過濾器、反沖洗過濾器、手搖刷式過濾器、汽水分離器、旋流除砂器、全程綜合水處理器、電子水處理器、不銹鋼過濾器、紫外線殺菌器、低壓水樣過濾器、離子交換柱、轉子流量計等。網址:http://www.zygdzz.com 聯系人:李經理 手機:13938752202 座機:0373-3547966 傳真:0373-3809898
服務承諾書
新鄉市新華環保設備有限公司視質量信譽為生命,始終在“用心創造、市場立業” 的經營理念下,以滿足顧客的需求為我們的最終目標為此我們特向您做出如下承諾:
1. 產品質量保證期:我公司生產的系列全自動自清洗過濾器質量保證期為設備交付并開始正常運行之日起12 個月。
2. 向貴方提供的水處理設備主要部件保證為國內、外公司原裝產品或新華專利產品,材料全新,質量優良,是經最終檢驗合格產品。
3. 我公司保證所交付的技術資料齊備、正確、清晰,完全能滿足安裝并達到甲方技術要求。
4. 在定貨合同鑒定生效后,合同的標的物即可按合同規定時間運送至對方指定地點,并負責免費指導現場安裝調試以及操作人員培訓工作。
5. 向您提供12個月的產品免費維修、更換服務(不含易耗件),并給予您終身的技術支持。對于產品的易耗部件(轉刷和不銹鋼濾網)我公司保證長期以成本價提供。
6. 收到您的意見和要求后,我公司保證在8 小時內給予書面答復,如果甲方需要,24 小時內派有經驗的工程技術人員到業主現場進行分析并指導維修。搶修:在質保期內(12 個月),水處理設備一旦發生故障,華豫售后服務工程師在24 小時內立即趕赴現場進行故障排除及模塊更換。即使保修期過后,華豫售后服務工程師也會立即趕赴現場進行搶修設備,修理完畢后在由雙方協商前提下只收取配件費。





