



| 網目數 | 微米(μm) | 網目數 | 微米(μm) |
| 2 | 8000 | 100 | 150 |
| 3 | 6700 | 115 | 125 |
| 4 | 4750 | 120 | 120 |
| 5 | 4000 | 125 | 115 |
| 6 | 3350 | 130 | 113 |
| 7 | 2800 | 140 | 109 |
| 8 | 2360 | 150 | 106 |
| 10 | 1700 | 160 | 96 |
| 12 | 1400 | 170 | 90 |
| 14 | 1180 | 175 | 86 |
| 16 | 1000 | 180 | 80 |
| 18 | 880 | 200 | 75 |
| 20 | 830 | 230 | 62 |
| 24 | 700 | 240 | 61 |
| 28 | 600 | 250 | 58 |
| 30 | 550 | 270 | 53 |
| 32 | 500 | 300 | 48 |
| 35 | 425 | 325 | 45 |
| 40 | 380 | 400 | 38 |
| 42 | 355 | 500 | 25 |
| 45 | 325 | 600 | 23 |
| 48 | 300 | 800 | 18 |
| 50 | 270 | 1000 | 13 |
| 60 | 250 | 1340 | 10 |
| 65 | 230 | 2000 | 6.5 |
| 70 | 212 | 5000 | 2.6 |
| 80 | 180 | 8000 | 1.6 |
| 90 | 160 | 10000 | 1.3 |




| 預過濾精度 | 過濾器精度 |
| 3mm | <500μm |
| 10mm | ≥500μm |

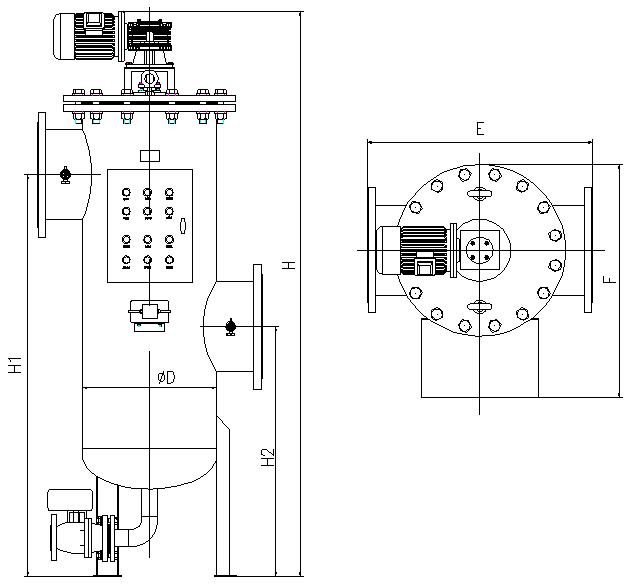
| 型號 | 管徑(mm) |
流量 (m3/h) |
過濾面積 (cm2) |
H (mm) |
H1 (mm) |
H2(mm) |
D (mm) |
E (mm) |
F (mm) |
電機功率 (W) |
重量 (Kg) |
| HY-GD-50 | 50 | 20 | 758 | 1100 | 660 | 480 | 273 | 440 | 590 | 0.25 | 80 |
| HY-GD-65 | 65 | 28 | 1112 | 1155 | 720 | 490 | 273 | 440 | 590 | 0.25 | 105 |
| HY-GD-80 | 80 | 50 | 1112 | 1160 | 905 | 590 | 325 | 500 | 640 | 0.25 | 152 |
| HY-GD-100 | 100 | 80 | 1682 | 1460 | 950 | 600 | 325 | 500 | 640 | 0.25 | 195 |
| HY-GD-125 | 125 | 125 | 2429 | 1510 | 1000 | 635 | 377 | 580 | 700 | 0.37 | 218 |
| HY-GD-150 | 150 | 150 | 3660 | 1710 | 1190 | 740 | 377 | 630 | 700 | 0.37 | 258 |
| HY-GD-200 | 200 | 320 | 6283 | 1825 | 1300 | 800 | 426 | 680 | 770 | 0.37 | 336 |
| HY-GD-250 | 250 | 490 | 8765 | 2220 | 1630 | 950 | 480 | 770 | 815 | 0.37 | 452 |
| HY-GD-300 | 300 | 710 | 12622 | 2170 | 1600 | 900 | 530 | 900 | 870 | 0.37 | 562 |
| HY-GD-350 | 350 | 970 | 17180 | 2430 | 1790 | 1000 | 630 | 1000 | 980 | 0.37 | 803 |
| HY-GD-400 | 400 | 1260 | 22439 | 3081 | 2130 | 1180 | 820 | 1170 | 1180 | 0.55 | 892 |
| HY-GD-450 | 450 | 1600 | 28400 | 3410 | 2400 | 1380 | 920 | 1320 | 1280 | 0.55 | 1005 |
| HY-GD-500 | 500 | 1970 | 35062 | 3440 | 2400 | 1460 | 1020 | 1420 | 1380 | 0.75 | 1273 |

